• SA视讯(中国区)官方网站SA视讯

    SA视讯(中国区)官方网站 id="pcHeadSearch">

    EN

    SA视讯(中国区)官方网站 class="g_syworldbtmimg1"> SA视讯(中国区)官方网站 class="g_syworldbtmimg2">
    Product
    SA视讯(中国区)官方网站

    Product

    Single-channel Isolated Gate Driver

    SA视讯(中国区)官方网站>

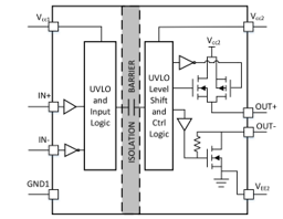
    NSI6601 is a single-channel isolated gate driver designed to drive IGBTs, power MOSFETs and SiC MOSFETs in many applications. Separate outputs are provided to control the rising and falling duration respectively. It can provide peak source/sink current of 5A/5A. NSI6601 is available in SOP8 (150 mil) or SOP8 (300 mil) packages and supports system robustness with isolation of 3,000 VRMS or 5,700 VRMS according to UL1577 and minimum common-mode transient immunity (CMTI) of 150kV/μs. The maximum supply voltage of the driver is 32V, and the input side is supplied with a power supply voltage of 3.1V to 17V. All supply voltage pins support undervoltage lockout (UVLO) protection. NSI6601 is designed with high drive current, excellent durability, wide power supply voltage range and fast signal propagation, and is suitable for switching power supply systems which require high reliability, high power density and high efficiency.

    Product Features

    • Single-channel isolated driver

    • Input side supply voltage: 3.1V to 17V

    • Driver side supply voltage: up to 32V, with both 9V and 13V UVLO options)

    • Peak source/sink current: 5A/5A

    • High CMTI: ±150kV/μs

    • Typical propagation delay: 78ns

    • Operation ambient temperature: -40°C〜125°C

    • RoHS compliant package:  

          • SOP8(150 mil)

          • SOP8(300 mil)

    Safety Certificate

    • UL1577 certification: 

         • SOP8(150 mil): 3kVRMS for 1 min.

         • SOP8(300 mil): 5.7kVRMS for 1 min.

    • CQC certification: Comply with GB4943.1-2011

         • CSA certification: Components comply with 5A 

         • VDE certification: DIN V VDE V 0884-11:2017-1

    Application

    • Isolated DC/DC and AC/DC power supplies

    • High-voltage PFC

    • PV inverter

    • Motor driver and electric vehicle charging

    • UPS and battery charger

    Functional Block Diagram

    NSI6601.png

    SA视讯(中国区)官方网站>

    For more product information, please contact us.

    SA视讯