我们非常重视您的个人隐私,当您访问我们的网站时,请同意使用的所有cookie。有关个人数据处理的更多信息可访问《隐私政策》
>
>
>
>
>
>
>
>
>
>
>
>
>
>
>
>
>
>
>
>
>
>
>
>
>
>
>
>
>
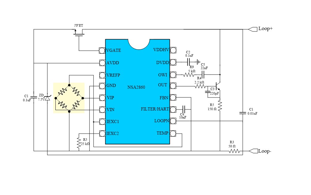
NSA2860(X)是一颗为4~20mA电流输出或者0~5V/0~10V电压输出的工业变送器专门开发的ASSP芯片。NSA2860(X)其内部集成电桥驱动,双路恒流源驱动,PGA和24位高精度ADC,可方便的用于接口电桥型压力传感器或者RTD/TC等温度传感器。芯片内部集成客户可编程数字校准逻辑,也提供方便的OWI接口可以通过4~20mA的模拟线路直接进行通信,使得客户可以方便的进行传感器装配后标定和标定系数的保存。另外, NSA2860(X)也集成外部JFET控制器,可以在24V的标准工业环路供电应用条件下直接使用而无需额外的电源控制器。过去几年中,这颗芯片已经在工业压力变送器,工业温度变送器等现场仪表中被广泛的应用,其可靠性稳定性也已经由大批的出货量在工业现场中得以充分的验证。
产品特性
• 集成电桥驱动,高精度PGA,24位高精度ADC,同时支持比例测量法,支持应变片类型或者电阻桥式传感器输入
• 集成双路恒流源输出,支持三线制或者四线制RTD温度传感器输入
• 集成外部JFET控制器,支持24V工业环路供电方式直接供电
• 支持4~20mA输出或者0~5V/0~10V模拟量输出方式
• 支持SPI总线或者I2C数字接口,也可以做数字型变送器的模拟前端使用
• OWI接口,可以在两线制4~20mA接线的情况下支持客户装配后标定
• 数字传感器标定方式,支持高达三阶的传感器非线性拟合校准和二阶温度系数校准
• 静态电流低,1.5mA的工作电流完美支持4~20mA环路供电
• 供电脚VDDHV耐受高达28V的高压冲击,实现高可靠性的工业现场应用
应用场景
• 工业压力变送器和温度变送器
• 工业现场仪表模拟前端
• PLC/DCS模拟量输入输出
功能框图

NSA2860(X)的内部框图

NSA2860用于4~20mA环路供电的压力变送器
>如您需要咨询产品更多信息,请点击“SA视讯(中国区)官方网站”,我们将尽快回复您!